2025年12月18日 行业动态:
首页 > 时事报导 >> 热点新闻
热点新闻

国内首套!辛烯等α-烯烃合成成套技术工业试验项目完成工艺包设计

发布时间:2020/6/8 9:27:46 来源:聚烯烃人

5月30日,承载着集团公司、寰球公司和大庆公司全体干部员工殷切期盼的《辛烯等α-烯烃合成成套技术工业试验项目》工艺包设计工作,历时近1个半月,终于圆满完成预定的阶段目标。

项目简介

《辛烯等α-烯烃合成成套技术工业试验项目》,是大庆寰球公司与大庆化工研究中心、大庆石化公司发挥各自优势、共同研究开发的集团公司重大科技专项之一,由公司负责编制并出版工艺包,知识产权和效益三家共有。该技术具有技术指标先进,工艺流程短,操作灵活、稳定,生产过程安全、环保等优势。该项目的研发将对集团公司遏制国外产品价格垄断、加快企业高端产品自主研发进程、解决PAO合成原料短缺、推动润滑油业务领域持续发展等方面,产生重大经济意义和战略意义。

项目于2016年10月立项,2019年2月完成可研,2020年5月底完成工艺包设计,并计划于2021年3月30日实现中交。

“单丝不成线,独木不成林”

在工艺包研发设计近三年的时间里,大庆寰球公司项目组始终与大庆化工研究中心、大庆石化公司保持密切合作,共同研究解决项目推进中遇到的各种问题和工程技术难题。从研发初期,大庆寰球公司就开始建立模型,并随时根据大庆化工研究中心阶段性研发成果调整优化。

4月20日,在大庆化工研究中心突破反应器核心技术后,项目组根据最终资料开始了最后一轮工艺模拟和工艺系统设计。该项目是国内首套工业化装置,实现一套装置能够切换生产三种产品(1-己烯、1-辛烯、癸烯),控制非常复杂,没有类似装置可作参考。且为节约投资,项目计划利用大庆石化公司化工二厂己烯-1装置现有设备进行改造,极大增加了工程设计难度。

聚合物性质研究

不惜一切代价啃下这块“硬骨头”

项目攻关团队为项目研发倾注了大量的心血和精力,从得到第一手资料起,便对成套工艺技术、关键工艺设备、现有设备的适应性进行深入研究,不断优化流程和集成创新。

在工艺设计过程中,从中试到工程放大,技术难题层出不穷,诸如反应器结构、密封油方案、清胶手段、调温水控制、分离流程优化、聚合物处理、副产品输送等等。但问题再多也阻碍不了技术攻关的前进步伐,项目组一路过五关斩六将,根据需要重新进行全流程模拟计算,重新规划生产流程,重新核算现有设备,多次讨论研究平面布局,甚至对一个调节阀数据反复推敲,事无巨细,精雕细琢,最终将难题一一破解。

5月初,大庆化工研究中心因反应产生的聚合物没有找到方法清除,导致最终完成核心设备试验提供反应器输入条件严重滞后,留给工艺包设计的时间仅不足一个月。

关键时刻,共产党员冲在第一线!

完成节点迫在眉睫,项目组唯有冲刺与时间赛跑。早在2019年8月,为充分发挥党员在科技攻关中的先锋模范作用,工艺室就在该项目成立了党员突击队。危急关头显担当,在突击队员的示范带动下,项目组成员发扬不怕苦不怕累和“三老四严”的石油精神,苦干实干,加班加点,分秒必争,仅5月份,专业负责人张文超(突击队员)累计加班95.5小时,审核人吴南屏累计加班168.5小时,设计人孙兴龙(突击队员)尽管出差也竭力克服困难保证工艺包编制进度。在经历了一天又一天电脑前的快马加鞭、一轮又一轮头脑风暴,一次又一次心理防线崩塌与重建交替的夸父逐日后,项目组终于成功开发完成《辛烯等α-烯烃合成成套技术工业试验项目》工艺包,打赢了技术攻关与设计创新的漂亮一仗。

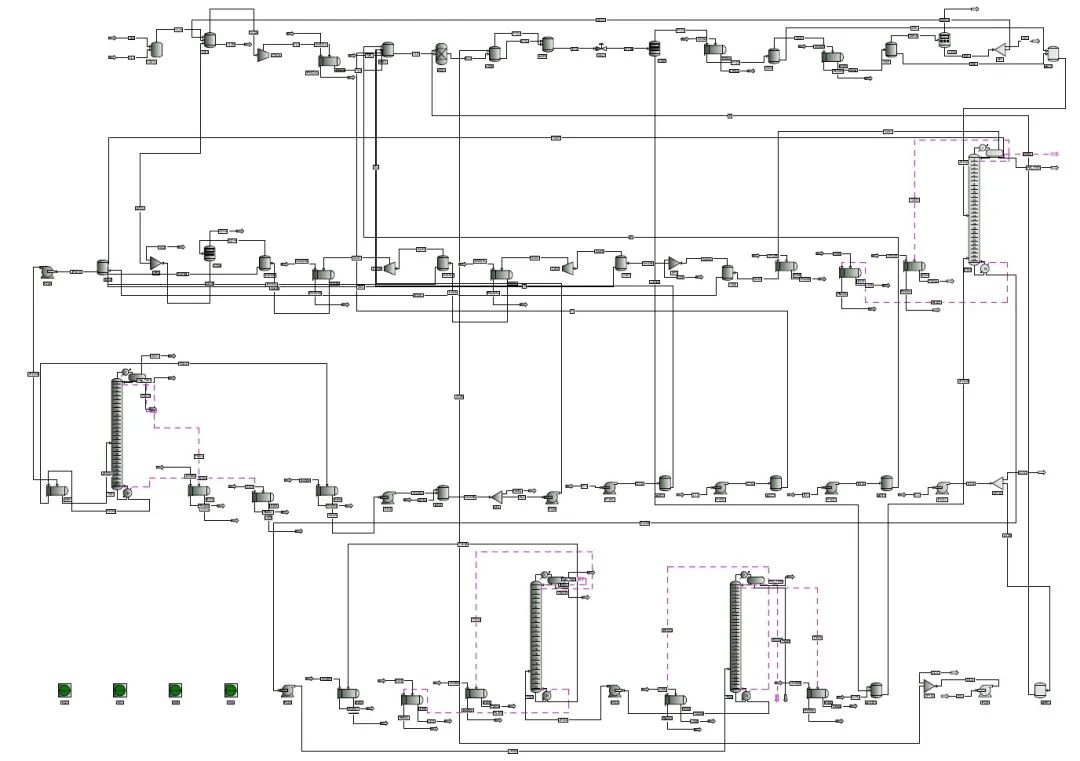
流程模拟图

日前,该项目工艺包已提交业主审查,项目组已全面开展基础设计工作。后续,项目组还将面对一个月完成基础设计、六个月完成详细设计的繁重任务。

当前,正值大庆寰球公司提质增效的关键时期,下一阶段,项目组将继续以责任、高效、创新作为信条,发扬严谨细致、精益求精的良好作风,以更饱满的斗志和更大的决心投入到更加艰巨的工作中去,把“战严冬、转观念、勇担当、上台阶”主题教育活动落到实处,进一步提高科技创新贡献率,有力推动公司科技创新和高质量发展走实走深。




免责声明:本图文、资料来源于网络,转载的目的在于传递更多信息及分享,并不代表本网站赞同其观点和对其真实性负责,也不构成其他建议。仅供交流,不为其版权负责。如涉及侵权,请及时与我们取得联系: zpia2008@163.com。