6月3日上午,浙江省塑料行业协会会长、浙江明日控股集团股份有限公司(以下简称明日控股)董事长韩新伟作为专家组成员,线上参加青海大美煤业股份有限公司尾气综合利用制烯烃项目论证会,会议由青海省工信厅组织,有关项目专家、银行、大美项目业主等单位代表参加会议。
会议邀请了青海省工信厅、广西钦州化工、中石化广州工程公司、上海石化研究院、中石化经济技术研究院、中石化工程建设公司、中科院大连物化所、吉林康奈尔化工公司、浙江塑协/明日控股、中煤蒙大、中煤榆林等单位有关专家,组成项目论证专家组,负责大美项目论证审查工作。
论证会上,专家组在听取了大美项目概况、经营情况、同类项目情况、项目竞争力分析等情况后,重点就项目可持续性前景、项目优劣势、原材料可靠性、产品销售市场、产品运营能力、同类项目对比、市场极端情况下项目经济效益与竞争力等方面进行了探讨交流,对项目进行逐条论证审查。
作为塑化行业专家代表,韩新伟重点就产品销售市场发表了专业意见,指出,聚烯烃产业属于“金字塔型”产业结构,未来一阶段仍具有较好发展前景,面对油价低位运行、原料价格波动大等特殊情况,大美项目要加强和塑化产业链各方参与者的深度合作,充分利用好金融衍生品等工具,加强风险管控,并对项目主要分销区域等方面给出了意见建议。总体上,专家组成员认为大美项目符合国家产业政策和地方工业发展规划,工艺技术和设备在业内先进,市场销售空间广泛,项目前景良好。

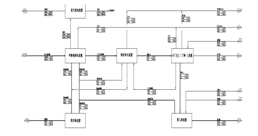
△ 项目工艺流程图
大美尾气综合利用制烯烃项目,位于青海省西宁市甘河工业园区,是2020 年青海省投资重点项目,包括180万吨/年甲醇制烯烃装置、60万吨/年轻烯烃回收装置、30万吨/年聚乙烯装置、40万吨/年聚丙烯装置等,项目概算总投资105亿元,目前已完成进度85%水平,并计划于2020年12月试生产,产出合格产品。